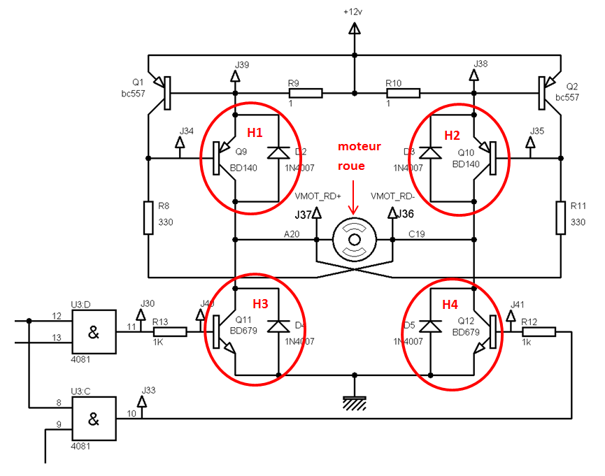
Le Hacheur 4 quadrants

La valeur moyenne de v est :
= ( 2 α - 1 ).U avec 0 < α < 1

La tension continue variable v permet de faire varier la vitesse d'un moteur à courant continu
dans les 2 sens de rotation.
Exemple : aspirateur Roomba alimenté par une batterie

Schéma interne :

Allez à l'activité 5: ici
Créé avec HelpNDoc Personal Edition: Environnement de création d'aide complet