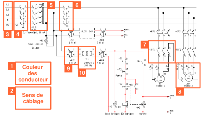
Partie puissance des circuits électriques_schéma