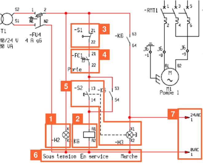
Partie commande des circuits électriques_folio1

Partie commande des circuits électriques: folio 1